OA登录
老人专区
标签库
运行情况
本站搜
一网搜
智能问答
首页
政务资讯
信息公开
办事服务
互动交流
水利工作
当前位置:
首页
>
水利工作
>
水利工程质量安全管理
>
规范流程
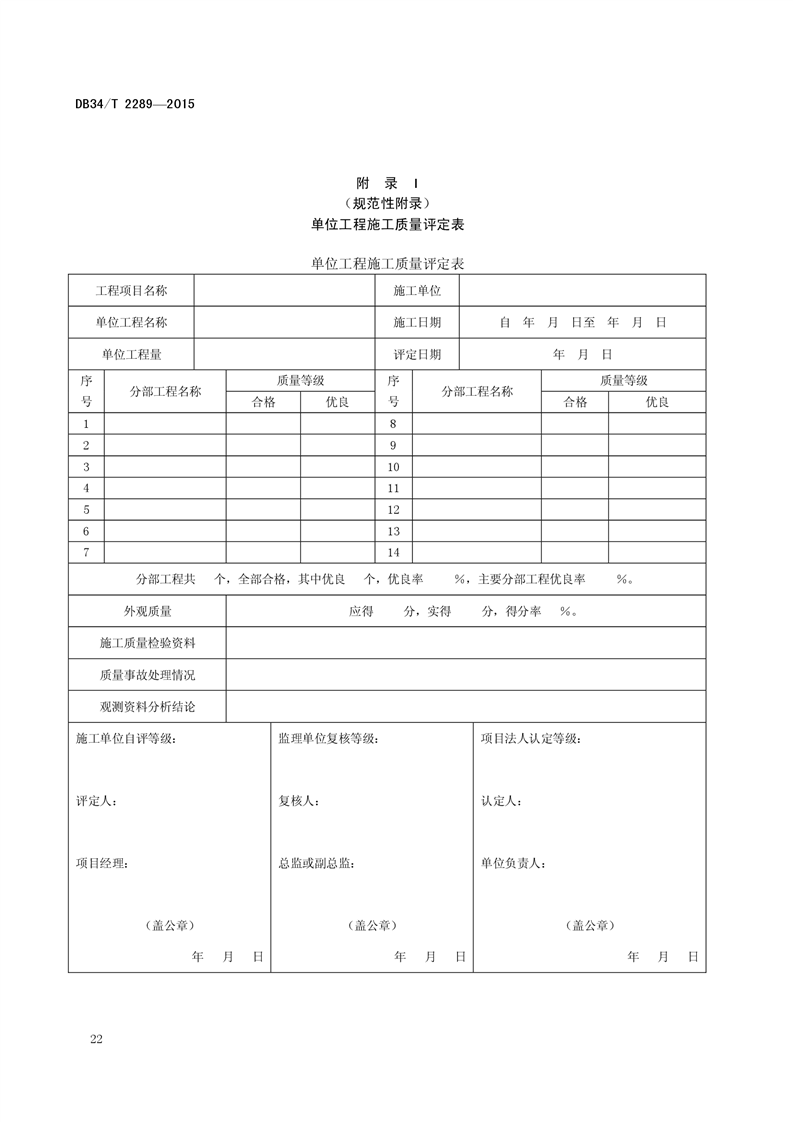
2289-2015 水利工程质量监督规程
浏览次数:
信息来源: 质安站
发布时间:2020-08-13 10:23
字号:
大
中
小
下载
我要纠错
打印
收藏
标签:
扫一扫在手机打开当前页
打印
关联信息
map